パネルマウント中継アダプタ 両側RJ-45コネクタメス CAT6規格対応
![]() |
|
【CAD図面】
| 2D CAD(dwg) | 2D CAD(dxf) | 3D CAD(stp) |
●パネルや壁面に取り付けてLANケーブルを中継するアダプタで、両側ともにRJ-45のメス端子の中継アダプタです。
●CAT6規格に対応しており、1000BASE-Tの通信が可能です。
●装置や機器の内外をCAT6対応のLANケーブルを使って中継接続する際に大変便利です。
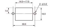
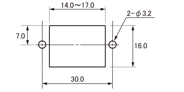
●パネルや壁面への取り付けは、M3ネジ2本を使用します(取付ピッチやパネルカット寸法は右上リンクの図をご参照ください)。

●パネル取付用のM3ネジは付属しておりませんのでお客様にてご用意ください。
●RoHS指令適合品 ⇒⇒適合判定基準は、こちらをご覧ください。
【関連商品】
◆パネルマウント側の端子部には、ホコリや湿気などの進入を防ぐ防塵機構は有しておりません。よって当該端子にケーブルを接続せずに端子面を空けたままで放置すると、ホコリや湿気などが進入して接触不良になる場合があります。ケーブルを接続しない端子には、こちらの防塵キャップを取り付けることをお奨めいたします。

| 型番 | タイプまたは長さ | 単価 | 数量 | カート |
|---|---|---|---|---|
営業時間中であれば、30分~1時間ほどでお見積りを回答いたします。


