パネルマウント LANケーブル(CAT6A規格対応) RJ45オス-パネルマウントRJ45メス 【10Gbps通信対応、PoE++対応】 (AC6MF-PL150、AC6MF-PL1000の後継品)
![]() |
|
●片側がパネルマウント形状のRJ-45メス端子のLANケーブルですので、壁面や筐体へ取付可能な中継ケーブルとして大変便利にお使いいただけます。
●10G BASE(10Gbps)対応のカテゴリ6A(伝送周波数帯域幅500MHz/10GBASE-T)の通信に対応しています。
●IEEE802.3bt(PoE++)に対応しています。ネットワークの給電力を強化した規格で各専門的な機器やビデオ会議など消費電力の高いデバイスにも対応できます。
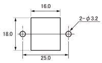
●以前に当社が販売していたパネルマウント型のLANケーブルのAC6MF-PLシリーズの後継品(旧商品の図面はこちら)で、M3ネジ2本での取り付けで取付穴間ピッチ25mmという取付寸法はそのままに、従来のAC6MF-PLシリーズの対応規格のCAT6よりも高速通信が可能なCAT6A(10Gbps)に対応したアップグレード商品です。
●パネルマウント側コネクタにはM3ミリネジのナットを内蔵していますので、パネルや壁面への取り付けはM3ネジ2本を使用します(取付ピッチやパネルカット寸法は右上リンクの図をご参照ください)。

●またパネルマウント側コネクタに内蔵のM3ナットは、正面から裏面まで貫通しているナット構造ですので、マウントするパネル厚さと取付用M3雄ネジの長さの関係の自由度が高い構造です。
(従来のAC6MF-PLシリーズではナット部の穴が貫通していなかったことによる、内蔵ナットの長さが短いために締め付けに必要なネジ山が不足したり、パネル厚さに応じて取付用M3雄ネジの長さを調整しなければならない、などという数々の欠点を、当アップグレード商品では全て改善しております)

●なおパネル取付用のM3ネジは付属しておりませんのでお客様にてご用意ください。
●RoHS指令適合品 ⇒⇒適合判定基準は、こちらをご覧ください。
【関連商品】
◆片側がオス端子でなく両側メス端子の商品をご希望の場合は、ケーブルタイプではなくこちらの中継アダプタ型のパネルマウントLANアダプタをご用意しております。

◆パネルマウント側の端子部には、ホコリや湿気などの進入を防ぐ防塵機構は有しておりません。よって当該端子にケーブルを接続せずに端子面を空けたままで放置すると、ホコリや湿気などが進入して接触不良になる場合があります。ケーブルを接続しない端子には、こちらの防塵キャップを取り付けることをお奨めいたします。

| 型番 | タイプまたは長さ | 単価 | 数量 | カート |
|---|---|---|---|---|
営業時間中であれば、30分~1時間ほどでお見積りを回答いたします。


