パネルマウントベゼル : スナップイン中継コネクタ専用パネル取付具 【樹脂ベゼル+ネジ取付アルミパネルのセット品】
![]() |
|
●スナップイン中継コネクタやスナップイン中継ケーブルを、装置や家具などの任意のパネル板に取り付ける際に便利なパネルマウントベゼルです。
●白系ベゼル(パネルは銀、ベゼルは白)と黒色ベゼルの2種をご用意しております。
●スナップインコネクタは、パネルや壁面に直接取り付けることができませんが、当商品を介せば簡単なパネルカット加工とM3ミリネジで簡単に取り付けられるようになります。
●スナップイン中継コネクタの取付事例

●取り付け固定用のM3ネジは付属しておりませんので、M3ネジはお客様にてご用意ください。
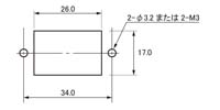
●パネルカット加工寸法は、右上リンク先の図面または下記をご参照ください。

●RoHS指令適合品 ⇒⇒適合判定基準はこちら
【関連商品】
◆ベゼル(スナップイン中継コネクタ専用保持具)
◆ベゼル取付用アルミパネル
◆スナップイン中継コネクタおよびスナップイン中継ケーブル各種
| 型番 | タイプまたは長さ | 単価 | 数量 | カート |
|---|---|---|---|---|
営業時間中であれば、30分~1時間ほどでお見積りを回答いたします。


